
1、結構簡單,運轉平穩,堅固耐用;
2、激振力強、電耗低、噪音小;
3、采用小振幅,高頻率,大傾角結構,使該設備篩分效率高、處理量大;
4、零部件通用性強,維修方便,使用壽命長。

單軸振動篩有一個十分牢靠的篩箱,因為其結構是焊接及鉚接而成,在振動器的主軸上不僅中間位置有偏心軸,而且主軸兩頭也有能夠調節的偏心輪。在篩分時,電動機經由三角帶作用于振動器,傳動軸使偏心軸及偏心輪產生慣性力,這種慣性力會令篩箱作近似的圓形的運動,使物料得到了較佳的篩分效果。

| 型號 | 篩網 |
給料粒度 (mm) |
生產能力 (t/h) |
振動頻率 (l/min) |
雙振幅 (mm) |
電動機 |
安裝 形式 |
總重 (kg) |
||||
| 層數 |
面積 (㎡) |
篩孔尺寸 (mm) |
篩網 結構 |
型號 | 功率(kw) | |||||||
| DD918 | 1 | 1.6 | 1-25 | 鋼絲編織 | ≤60 | 10-30 | 1000 | 5-6 | Y100L-4 | 2.2 | 吊式 | 440 |
| 2DD918 | 2 | 1.6 | 1-25 | 鋼絲編織 | ≤60 | 10-30 | 1000 | 5-6 | Y100L-4 | 2.2 | 吊式 | 600 |
| DDM1235 | 1 | 4 | 500-100 | 鋼絲編織 | ≤400 | 150-210 | 920 | 6 | Y132S-4B3 | 5.5 | 吊式 | 2112 |
| DDM1556 | 1 | 8 | 25-50 | 沖孔 | ≤400 | 400 | 920 | 6-8 | Y160M-4B3 | 11 | 吊式 | 3376 |
| 2DDM1556 | 2 | 8 |
上25-100 下6-25 |
上沖下編 | ≤400 |
上90-450 下30-90 |
1000 | 6 | Y180M-4 | 18.5 | 吊式 | 5096 |
| DDM1740 | 1 | 7 | 50-100 | 沖孔 | ≤400 | 240-360 | 920 | 5-7 | Y132M-4B3 | 7.5 | 吊式 | 3092 |
| DDM1756 | 1 | 9.5 | 25-50 | 沖孔 | ≤400 | 270-540 | 920 | 5-7 | Y160T-4B3 | 15 | 吊式 | 3995 |
| DDM2056 | 1 | 11 | 25-125 | 沖孔 | ≤400 | 300-1100 | 920 | 6-8 | 180M-4B3 | 18.5 | 吊式 | 4599 |
| 2DDM2056 | 2 | 11 |
上25-100 下6-25 |
沖孔 | ≤400 |
120-600 40-120 |
1000 | 6-8 | Y180M-4 | 18.5 | 吊式 | 5650 |
| ZD918 | 1 | 1.6 | 1-25 | 編織 | ≤60 | 10-30 | 1000 | 6 | Y100L-4 | 2.2 | 吊式 | 553 |
| 2ZD918 | 2 | 1.6 | 1-25 | 編織 | ≤50 | 10-30 | 1000 | 6 | Y100L-4 | 2.2 | 座式 | 702 |
| ZD1224 | 1 | 2.9 | 6-40 | 編織 | ≤100 | 70-210 | 1000 | 0-7 | Y112M-4 | 4 | 座式 | 1130 |
| 2ZD1224 | 2 | 2.9 | 6-40 | 編織 | ≤100 | 70-210 | 850 | 0-7 | Y112M-4 | 4 | 座式 | 1545 |
| ZD1224J | 1 | 2.9 |
上11×42 下26×35 |
橡膠 | ≤100 | 70-210 | 850 | 3.5 | Y112M-4 | 4 | 座式 | 1086 |
| 2ZD124J | 2 | 2.9 |
上13×42 下48×58 |
橡膠 | ≤100 | 70-210 | 800 | 3.5 | Y112M-4 | 4 | 座式 | 1637 |
| ZDM1235 | 1 | 4 | 50-100 | 沖孔 | ≤400 | 150-210 | 920 | 7 | Y132-4B3 | 5.5 | 座式 | 2235 |
| ZD1530 | 1 | 4.5 | 6-50 | 鋼絲編織 | ≤100 | 90-270 | 920 | 6-7 | Y132S-4 | 5.5 | 座式 | 1650 |
| 2ZD150 | 2 | 4.5 | 6-50 | 鋼絲編織 | ≤100 | 90-270 | 850 | 6-7 | Y132S-4 | 5.5 | 座式 | 2260 |
| ZD153J | 1 | 4.5 | 11×42 | 橡膠 | ≤150 | 90-270 | 850 | 7 | 132-4 | 5.5 | 座式 | 2260 |
| 2ZD1530J | 2 | 4.5 |
上13×42 下48×58 |
橡膠 | ≤100 | 90-270 | 850 | 7 | Y132S-4 | 5.5 | 座式 | 2653 |
| ZD1540 | 1 | 6 | 650 | 鋼絲編織 | ≤100 | 90-270 | 850 | 7 | Y132M-4 | 7.5 | 座式 | 2070 |
| 2ZD1540 | 2 | 6 | 6-50 | 鋼絲編織 | ≤100 | 90-270 | 850 | 7 | Y132M-4 | 7.5 | 座式 | 2850 |
| ZDM1556 | 1 | 8 | 25-50 | 沖孔 | ≤400 | 225-450 | 920 | 6-8 | Y160m-4 | 11 | 座式 | 3611 |
| 2ZDM1556 | 2 | 8 |
上25-50 下6-25 |
沖孔 | ≤400 | 30-300 | 1000 | 6-8 | Y180m-4B3 | 18.5 | 座式 | 5347 |
| ZDM1740 | 1 | 7 | 50-100 | 沖孔 | ≤400 | 270-400 | 920 | 5-7 | Y132M-4B3 | 7.5 | 座式 | 3224 |
| ZDM1756 | 1 | 9.5 | 25-50 | 沖孔 | ≤400 | 270-540 | 920 | 5-7 | Y160L-4B3 | 15 | 座式 | 4027 |
| ZD1836 | 1 | 9.5 | 6-50 | 編織 | ≤150 | 100-300 | 850 | 7 | Y160M-4 | 11 | 座式 | 160 |
| ZDM2056 | 1 | 11 | 13-125 | 編織 | ≤400 | 100-1000 | 920 | 6-8 | Y180M-4 | 18.5 | 座式 | 5991 |
| 2ZDM2056 | 2 | 11 |
上25-100 下6-25 |
上沖下編 | ≤400 | 120-600 | 1000 | 6-8 | Y180M-4B3 | 18.5 | 座式 | 5891 |
| 2ZDM2056G | 2 | 11 |
上25-100 下0.75 |
上編下條 | ≤400 | 200-400 | 800 | 6.7 | Y180M-4B3 | 18.5 | 座式 | 9864 |
| ZD2160 | 1 | 12. | 10-5 | 橡膠 | ≤150 | 100-300 | 900 | 8 | Y180L-4 | 22 | 座式 | 6529 |
| ZD1836J | 1 | 6.5 |
上43×58 下87×104 |
橡膠 | ≤150 | 100-300 | 850 | 7 | Y160M-4 | 11 | 座式 | 475 |



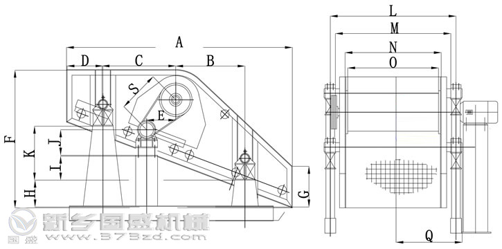
| 型號 | A | B | C | D | E | F | G | H | I | J | K | L | M | N | O | Q | S |
| ZD1224 | 2400 | 750 | 750 | 350 | 320 | 1334 | 457 | 234 | 0 | 374 | 546 | 1656 | 1712 | 1456 | 1340 | 1011 | 567 |
| ZD1530 | 3000 | 900 | 900 | 546 | 470 | 1556 | 479 | 206 | 52 | 374 | 655 | 2136 | 2012 | 1756 | 1640 | 1190 | 670 |
| ZD1540 | 4000 | 1358 | 1312 | 663 | 530 | 2028 | 479 | 280 | 332 | 402 | 972 | 2156 | 2032 | 1756 | 1640 | 1191 | 761 |
| ZD1836 | 3600 | 1200 | 120 | 476 | 530 | 1807 | 465 | 328 | 190 | 402 | 8735 | 2456 | 2332 | 2056 | 1940 | 1386 | 761 |
| ZD2160 | 6000 | 1950 | 1950 | 900 | 788 | 3035 | 857 | 535 | 0 | 480 | 1955 | 3140 | 2852 | 2420 | 2240 | 1665 | 1344 |
1、檢查全部螺栓的緊固程度,并且在較初工作8h后,重新緊固一次;
2、檢查V型帶的張緊力,避免在起動或工作中打滑,并且確保V型帶輪的對正性;
3、確保所有運動件與固定物之間的較小間隙;
4、篩子應在沒有負荷的情況下起動,待篩子運行平穩后,方能開始給料,停機前應先停止給料,待篩面上的物料排凈后再停機;
5、給料溜槽應盡可能靠近給料端,并盡可能沿篩子全寬均勻給料,其方向與篩面上物料運行方向一致,從而得到較佳的篩分效果。給料點到篩面的較大落差不大于500mm,確保物料對篩面的較小沖擊;
6、激振器順向流料方向回轉時,增加物料運行速度,可增加生產能力,但降低篩分效率;當激振器逆向流料方向回轉時,減小物料運行速度,降低生產能力,可提高篩分效率。
加工物料:鐵礦石
生產能力:≤3000t/h
設備配置:鐵礦石皮帶輸送機
查看詳情
加工物料:石料
生產能力:300t/h
設備配置:YK型圓振動篩
查看詳情
加工物料:選煤廠
生產能力:550t/h
設備配置:螺旋篩SL-U130/3-A
查看詳情
加工物料:選煤
生產能力:額定400 t/h
設備配置:重型封閉式交叉篩
查看詳情新鄉市國盛機械設備有限公司 豫ICP備14028944號-2 技術支持新鄉志遠網絡公司 ?地 址:新鄉市長濟高速西出口